
商品描述
GZP170/100kPA/40-80mV替代NPP-301A-100A,货号:压力传感器-15PSI-100KPa-SOIC-8PIN-SMD,备注:尺寸类似/PIN不一致
产品特点
·测量范围0kPa~100kPa…1500kPa
·MEMS 技术
·绝压形式
·SOP8封装形式
·适用于无腐蚀性的气体、无导电性的气体或液体
应用领域
·胎压计、MAP、转向助力、刹车助力等汽车电子领域
·按摩器、按摩椅、气垫床等运动健身器材领域
·洗衣机、啤酒机、咖啡机、应急灯、真空泵、净水机、压力仪表、气动元件等领域
·仪器仪表等其他绝压系统
概述
GZP170型压阻式压力传感器芯片适用于生物医学、汽车电子等领域的压力传感器,其核心部分是一颗利用MEMS技术加工的硅压阻式压力敏感芯片。该压力敏感芯片由一个弹性膜及集成在膜上的四个电阻组成,四个压敏电阻形成了惠斯通电桥结构,当有压力作用在弹性膜上时电桥会产生一个与所加压力成线性比例关系的电压输出信号。
芯片表面涂覆软硅胶,可有效防潮防油气。
GZP170型气压压力敏感元件为采用标准的SOP6和DIP6形式封装的OEM元件,方便用户采用表面贴装或双列直插式进行安装。良好的线性、重复性和稳定性,灵敏度高,方便用户采用运放或集成电路针对输出和温漂进行调试和补偿。
结构性能
压力敏感芯片:硅材料
引线:金线
封装外壳:PPS材料
引脚:镀金
净重量:约0.5g
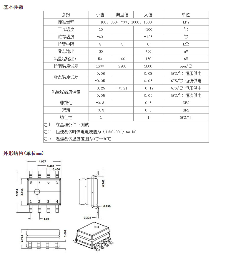
电气性能
供电电源:≤15V DC 或 ≤3.0mA DC
输入阻抗:4kΩ~6kΩ
输出阻抗:4kΩ~6kΩ
绝缘电阻:100MΩ,100VDC
允许过载:1.5倍满量程
基准条件
测量介质:空气
介质温度:(25±1)℃
环境温度:(25±1)℃
振动:0.1g(1m/s2)(Max)
湿度:(50%±10%)RH
电源:(5±0.005)V DC




